您好!欢迎来到
易设计
!
注册
登录
账号登录
支付宝登录
短信登录
ID:
余额:
0.00
元
积分:
0
积分
充值
签到
已签到
提现
安全
认证
收藏
退出登录
网站首页
手机版
网站公告
帮助中心
工单管理
管理中心
财务管理
在线充值
快速提现
提现历史
财务明细
积分明细
我是买家
购物车
发布需求
需求管理
买入订单
建立自助交易
我是卖家
发布出售
商品管理
售出订单
建立自助交易
店铺管理
商家保证金
帮助咨询
帮助中心
投诉建议
联系客服
关于我们
用户管理
基本资料
认证中心
我的收藏
用户等级
账户安全
修改密码
登录记录
安全退出
https://e.sjbb168.com/
商品
商品
店铺
资讯
热门搜索:
自定义的
免费发布需求
免费发布任务
建立自助交易
免费发布商品
11
全部商品分类
2D/3D/图纸
分组:
机械设备
交通运输
换热器
泵
生产线/流水线
减速机/减速器
车库
电动机/发电机/柴油机
布局图/布置图/流程图
机器人/机械手
精馏塔
罐/反应罐/发酵罐/锅炉/储罐/油罐/搅拌罐
反应釜/反应器/换热器/冷却器/冷凝器
其它
机械设计资料
分组:
毕业设计/课程设计
图纸
文档
其它
模具设计资料
分组:
模具毕业设计/课程设计
说明书/论文
图档
其它
车辆设计资料
分组:
毕业设计/课程设计
图纸
文档
其它
采矿工程资料
分组:
毕业设计/课程设计
图纸/文档
其它
食品/化工/制药
分组:
毕业设计/课程设计
说明书/论文/图纸
其它
土木/建筑/资料
分组:
毕业设计/课程设计
图纸/文档/资料
其它
电气/PLC/单片机
分组:
毕业设计/课程设计
说明书/论文
图纸
其它
给排水/污水处理
分组:
毕业设计/课程设计
图纸/文档
水利/暖通/供换热
分组:
毕业设计/课程设计
CAD图纸
文档资料
其它
技术资料/其它
分组:
工具/软件/动画
参考资料
文档资料
勘察报告
其它
首页
机械
车辆
模具
夹具
PLC
单片机
减速器
机器人
机械手
采矿
土木
手机版
当前位置:
首页
>
技术资料/其它
>
参考资料
>
点击查看浏览记录
热门搜索:
商品分类
:
不限
2D/3D/图纸
机械设计资料
模具设计资料
车辆设计资料
采矿工程资料
食品/化工/制药
土木/建筑/资料
电气/PLC/单片机
给排水/污水处理
水利/暖通/供换热
技术资料/其它
更多
技术资料/其它
:
不限
工具/软件/动画
参考资料
文档资料
勘察报告
其它
更多
更多:
最近更新
最近更新
最早发布
销量由高到低
销量由低到高
最多人关注
最少人关注
价格由高到低
价格由低到高
是否精选
精选商品
发货形式
自动发货
是否折扣
会员折扣
已选条件:
技术资料/其它
参考资料
如何快速看懂国外机械图纸
¥0
设计
专营店
自
折
如何利用单片机模拟PWM
¥0
设计
专营店
自
折
天然气(LNG)汽车简介(68页PPT)
¥0
设计
专营店
自
折
大众汽车销售的营销方案浅析丶大专论文
¥0
设计
专营店
自
折
基于视觉抓取的四旋翼飞行器系统设计 仅供参考(论文30页)
¥0
设计
专营店
自
折
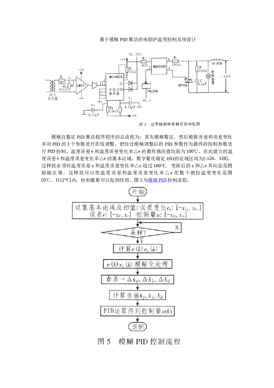
基于模糊PID算法的电阻炉温度控制系统设计
¥0
设计
专营店
自
折
国外的工业机器人控制系统介绍
¥0
设计
专营店
自
折
后钢板弹簧吊耳工序卡片
¥0
设计
专营店
自
折
后钢板弹簧吊耳加工工艺及夹具设计-毕业设计——38页
¥0
设计
专营店
自
折
同步带及带轮设计计算
¥0
设计
专营店
自
折
各种凸轮轴材料及热处理工艺
¥0
设计
专营店
自
折
变压器铁芯与绕组PPT——31页
¥0
设计
专营店
自
折
发那科培训讲义_-PMC的编程——107页PPT
¥0
设计
专营店
自
折
发那科仿真软件操作.弧焊部分——75页
¥0
设计
专营店
自
折
双闭环可逆直流脉宽PWM调速系统设计论文——27页
¥0
设计
专营店
自
折
叉车液压系统设计(PPT——28页)
¥0
设计
专营店
自
折
卧式镗床(D)数据
¥0
设计
专营店
自
折
单片机作息时间控制
¥0
设计
专营店
自
折
半精加工凸轮轴孔镗刀的设计及应用
¥0
设计
专营店
自
折
化工机械手册——精馏、吸收及塔设备
¥0
设计
专营店
自
折
首页
上一页
1
...
3
4
5
6
7
8
9
10
下一页
末页
买家指南
如何注册
如何购买
搜索商品
支付方式
卖家指南
如何出售
收费标准
入驻签约
安全交易
钓鱼防骗
预防盗号
谨防诈骗
实名认证
常见问题
如何充值
如何提现
真假客服
忘记密码
服务中心
我要咨询
我要建议
我要投诉
QQ客服
网站首页
|
关于我们
|
广告合作
|
联系我们
|
隐私条款
|
免责声明
|
网站地图
CopyRight 2014-2024 易设计 |
闽ICP备2024057214号
网站客服
咨询热线
QQ671644934